雙曲面減速機是艾思捷最新生產的新一代實用性產品,很多客戶在使用過程中給予了好評,例如我們這客戶常用的KM502系列,應用在自動化設備中運行平穩。
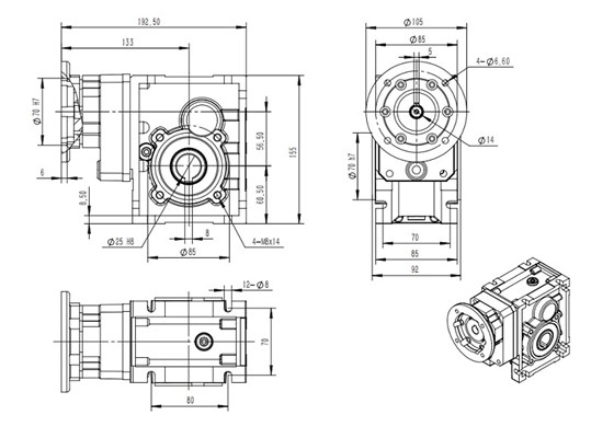
艾思捷雙曲面減速機KM502-30-70B14 I:14 O:25安裝尺寸圖紙:
生產實物如下:

那么艾思捷雙曲面減速機在實際應用中有什么特點呢?技術整理了一下,可查看。
1、雙曲面減速機傳動,傳動速比大;
2、準雙曲減速電機的運行過程中,齒輪嚙合平穩,不易產生異常負載,因此壽命長,故障率低。
3、優質鋁合金鑄造,重量輕,防銹性能高;
4、SJKM系列準雙曲面減速機與NMRV系列蝸輪蝸桿減速機安裝尺寸完全兼容;
5、相對精度高:相對于其他傳動方式的電機,準雙曲減速電機在精度上有一定優勢,可實現更高的位置和轉角控制。
艾思捷歡迎廣大客戶來電咨詢,
艾思捷雙曲面減速機KM502-30-70B14 I:14 O:25-定制熱線: 盛工 18116258006


